After WW2, most French vessels were armed with 5” guns, similar to the American 5"/38 Mk.12 cannon, and Bofors 57 mm guns. However, in 1953, a new gun was developed that would replace both of them and deal with anti-air and anti-surface duties. This led to the development of the 100 mm/55, a cannon that would equip all French vessels, from frigates to aircraft carriers, all the way to the modern day. In game, the 100 mm/55 is among the best French naval guns, combining an excellent fire-rate, great damage, and both anti-air and anti-ship capabilities. Found in both the German and French tech trees, it is the ultimate reward for coastal forces and offers great success in your engagements.
Shell types
| Velocity | Mass | Explosive filler TNT equivalent | Penetration | |
| OEA F1 HE | 855 m/s | 13.5 kg | 1.9 kg | 24 mm |
| OPF F4 PFHE | 855 m/s | 13.5 kg | 1.7 kg | 22 mm |
The 100 mm/55 cannon is only capable of firing two shells, an HE and HE-VT shell. This limited choice doesn’t reduce its capabilities, however, as it is very much capable of shredding any patrol boats or other frigates with its fast reload and explosive filler. Against bigger targets, such as destroyers, the lack of AP shells will make your engagement more dangerous as each shell will have to hit critical components on the surface such as the turrets, torpedo launchers and decks.
For AAW duties, the HE-VT shell will make quick work of any aircraft with its high explosive filler and large trigger radius (23 m). Having access to a tracking radar with a lead indicator greatly increase the effectivity of the cannon.
The arming distance of the HE-VT shell is 457 m, making it unusable at very close range. However, if a plane comes flying this close to you, your anti-aircraft guns will do the job.
Comparison with other automatic naval guns
| Model | Rate of fire (ace crew) | Targeting speed (H/V °/s) | Shells | Muzzle Velocity |
|---|---|---|---|---|
| 100 mm/55 Mle 53 | 1 s | 40 / 29 | HE, HE-VT | 855 m/s |
| 3"/50 Mk.33 | 1.2 s | 24 / 30 | HE, APHE, HE-VT | 823 m/s |
| 76 mm/62 OTO-Melara M.M.I. | 1 s | 40 / 70 | HE, HE-VT | 930 m/s |
| 76 mm/62 OTO-Melara Compact | 0.7 s | 60 / 35 | HE, SAP, HE-VT | 925 m/s |
| 76 mm/59 AK-726 | 0.6 s | 30 / 35 | HE, HE-VT | 980 m/s |
| 76 mm/60 AK-176M | 0.5 s | 35 / 30 | HE, HE-VT | 980 m/s |
Compared to other modern automatic cannons, the 100 mm/55 is a jack of all trades but a master of none. Good targeting speed, good reload but no AP nor SAP round. The cannon really shines with its caliber and thus the high amount of explosive filler. Because of this, it will require fewer shots to destroy a target if aimed carefully.
Usage in battles
The 100 mm/55 is mounted on fast but fragile frigates. Its gameplay resembles that of low-tier destroyers, but with a key difference: instead of carrying many turrets, it features only one or two that are far more powerful individually. As such, targets should be chosen carefully. Your biggest advantage is how you’re able to adjust your aim and lead because of the fast reload.
- Destroyers: Early destroyers can be dangerous as they have more guns with the same caliber or greater. As such, getting hit is very dangerous as your frigate has lower crew count and no armor. When engaging them, you must destroy their armament (turrets, torpedo launchers) and aim for any critical components with high crew density such as the deck and engine bay. The fast fire-rate allow you to quickly switch between shooting the turrets and engine bay. Because of the lack of any AP shells, you won’t be able to explode their ammo-racks and thus it will take time until they get destroyed. The most common destroyers will be the ones equipped with the 5"/38 cannon like the USS Porter and USS Moffett. Be aware that they too have a very fast fire-rate and much more dangerous shell with SAP and HE with high explosive filler.
- Frigates: Other frigates with same type of armament are your biggest enemies as they have the same firepower as you. You must be the first to engage in order to quickly disable their armament before they do. After taking out their armament (often just 1 or 2 cannons), keep shooting at them until all their crew are knocked out. Your biggest threats will be Soviet frigates such as the SKR-7. Their armament and survivability are very dangerous and should only be engaged if you have an advantage (engaging first or if they are already damaged).
- Coastal boats: Smaller coastal boats are no challenge thanks to the high explosive filler and fast fire-rate. If they move at high speed, it tends to be difficult to accurately lead your shots but because of the fire-rate it’s way faster and easier. It can be rare to encounter high tier coastal boats so you’ll more often see reserve boats like the German S-38 or Soviet G-5. If you do encounter higher tier boats like the American PT-810, their armament will be dangerous but not as dangerous as higher caliber turrets.
- Aircraft: Airplanes aren’t a risk with the HE-VT, high trigger radius and lead indicator (if available). Only one or two shells are required to fully destroy an aircraft.
History
After WW2, the French fleet was mainly composed of old battleships, outdated vessels given by the British and seized German and Italian ships. New programs began as early as 1946 for developing new vessels in order to modernize the Marine Nationale. These new ships would be primarily armed with dual 5” guns, influenced by the American 5"/38 Mk.12 cannon, and by dual 57 mm guns from Bofors. However, these guns were quickly judged outdated as newer technologies were emerging and faster aircraft started to emerge. As such, a new development program started in 1953 by the STCAN for a new all-purpose cannon meant to deal with surface, air and land targets. The 100 mm caliber was chosen as it was a good balance between power and weight. This new program would be led by the naval artillery engineer Tonnelé. The first model, designated Mle 1953, would start testing on the “escorteur rapide” Le Brestois in 1958. The new turret was mounted at the stern of the ship replacing the furthest 57 mm turret. After successful tests, it was decided that the 100 mm would equip all new French vessels after 1960.
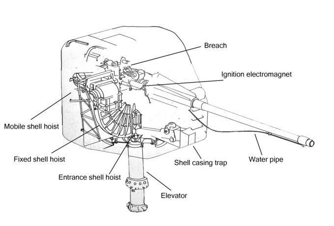
This new turret had simple yet effective design. It had two firing modes, either remotely controlled and linked with radars or controlled locally with 2 gunners on each side of the turret (where the plexiglass bulbs are located) and one turret commander located in the back on the left side.
The ammunition was transported by an elevator located beneath the turret and loaded into a fixed rack, then transferred to a moving carousel that provided constant resupply to the cannon regardless of its orientation. On the 1953 model, the rack supported a firing rate of 60 rounds per minute and a capacity of 23 shells, but the elevator could only supply 20 rounds per minute. The first shell had to be loaded manually. The turret weighted 23 tonnes, was fully watertight, and equipped with a ventilation system. The cannon was water-cooled, extending its service life to 3,000 rounds fired.
In total, 3 ammunitions were made. A standard HE shell OEA F1, a pre-fragmented HE-VT shell, OPF F4 and an illumination round.
Modernization
Throughout the years, the 100 mm/55 received many modernizations in order to keep up with other countries new ordnance.
Mle 64
First modernization. The fire-rate has been increased to 78 rounds per minute and added the ability to integrate with newer fire control system.
Mle 68
Massive overhaul making the turret fully automatic and not requiring local human help. The local anti-aircraft fire control was removed, reducing its weight to 21 tons. The fire-rate was returned to 60 rounds per minute, but another version called CADAM increased its fire-rate to 78 rounds per minute. This version can be identified by having only a single cupola on the left side.
Mle 100 TR
The Mle 100 TR or Mle 68-II is the most modern version of the turret, it is based on the previous Mle 68 with improvements aimed towards better reliability, improved fire-control and reduced radar signature. Any local control has been removed, making it fully remotely controlled. The rack is larger and has the ability to quickly select between ammunition types. This version is easily recognizable by its more angular turret housing and the lack of cupolas.
Compact
Made exclusively for export. This version has many variants:
- Compact Mk.1: Initial version based on the Mle 68 with a rate of fire of 60 rounds per minute. The lack of any manual control and compact design give it a weight of 14 tons. Because of the weight, the turret is only capable of firing bursts of 1, 2, 3 or 6 rounds instead of continuous fire.
- Compact Mk. 2: Improved version with selectable fire rate with 20, 45 or 90 rounds per minute. The ammunition feeding system has been improved allowing to quickly change between different ammunition types.
- Type 210: Chinese production model of the Mk. 1 version fitted with local modifications for Chinese fire-control system. Later they added the ability to fire laser and infrared controlled shells.
- H/PJ87: Chinese improved version of the Type 210 with angular housing for reduced radar signature.
Applications
The 100 mm/55 equipped all major french vessels from the '60s to the '90s.
| Model | Ship class |
|---|---|
| Mle 53 | - Le Brestois (F 762) for testing - Commandant Rivière class frigates - La Galissonnière T56 class - T47 ASW refit - Clemenceau R98 aircraft carrier - Foch A12 aircraft carrier - Colbert cruiser after refit |
| Mle 64 | - Jeanne d’Arc R97 helicopter carrier - Suffren class destroyers |
| Mle 68 | - Cassard class frigates - Georges Leygues class frigates - Tourville class frigates - Floréal class frigates - D’Estienne d’Orves class avisos - Aconit class corvettes |
| Mle 100 TR | - La Fayette class frigates |
The 100 mm/55 saw many exports, especially with the Compact version.
| Country | Ship class |
|---|---|
| China | - Jianghu IV class (using the local Type 210 cannon) |
| Malaysia | - Katsuri class corvette |
| Portugal | - Vasco da Gama class frigates |
| Saudi Arabia | - Al Madinah class frigates |
| Germany | - Köln class frigates - Deutschland class frigates - Hamburg class frigates (These ships used the Mle 1953 model, produced domestically under the name METL 53) |
Gallery
Sources
- Article on the 100 mm from netmarine.net (Archived)
- Article on the 100 mm from weaponsystem.net
- Article on the 100 mm compact from weaponsystem.net
- Article on the history of French dual-purpose cannon from forummarine
- Escorteurs d’escadre — Robert Dumas & Jean Moulin
- X-ray view of the interior of the 100 mm/55 Mle 53: Author
- Photo of the illumination shell: Author
- Interior photos of the frontal 100 mm turret of the Maillé-Brézé: Author
- Photos of the control room of the frontal 100 mm turret on the Maillé-Brézé: Author
All photos and images in this article made by Finn_Supra are licensed under Creative Commons Attribution-ShareAlike 4.0 International (CC BY-SA 4.0). You may share, adapt, and use them freely with attribution and same-license sharing.


















